プレビュー

コードプレビュー

内容
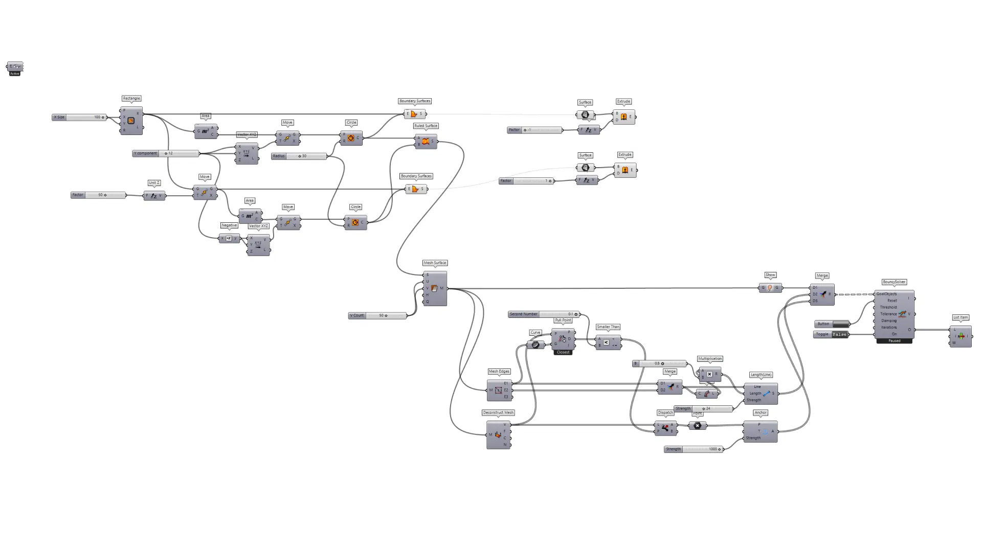
Grasshopperのkangaroo2を使用した、円筒を縮小させる方法
ダウンロードファイルの利用規約
| 項目 | 可否 | 説明 |
|---|---|---|
| 商用・個人プロジェクトでの利用 | ○ | 本ファイルを使用して作成した画像、動画、建築モデル等の販売・公開は自由です。 |
| ファイルの改変・カスタマイズ | ○ | 自身のプロジェクトに合わせて、定義や形状を自由に編集して利用いただけます。 |
| SNS・ブログ等での紹介 | ○ | 完成作品のスクリーンショットやサイトURLの共有は大歓迎です! |
| ファイルの二次配布(再配布) | × | ダウンロードした3dm / ghファイルを、そのまま、あるいは改変して不特定多数へ配布しないでください。 |
| 素材・テンプレートとしての転売 | × | 本ファイルを、そのまま、あるいは微調整のみで「素材集」や「テンプレート」として販売することは禁止です。 |
| 著作権表示・クレジット | 任意 | 表記は不要ですが、STUDIO TAMAの名前やリンクを添えていただけると今後の励みになります。 |